LHSA-Male & Female Rod End

IKO L-Ball Rod Ends (LHSA Series) are highly economical, self-aligning rod ends designed for smooth power transmission and superior motion control in a wide range of automated equipment.

The LHSA series is characterized by its compact design and low-torque rotational capability. They consist of a special die-cast zinc alloy body housing a studded ball whose axis is set at a right angle to the body.

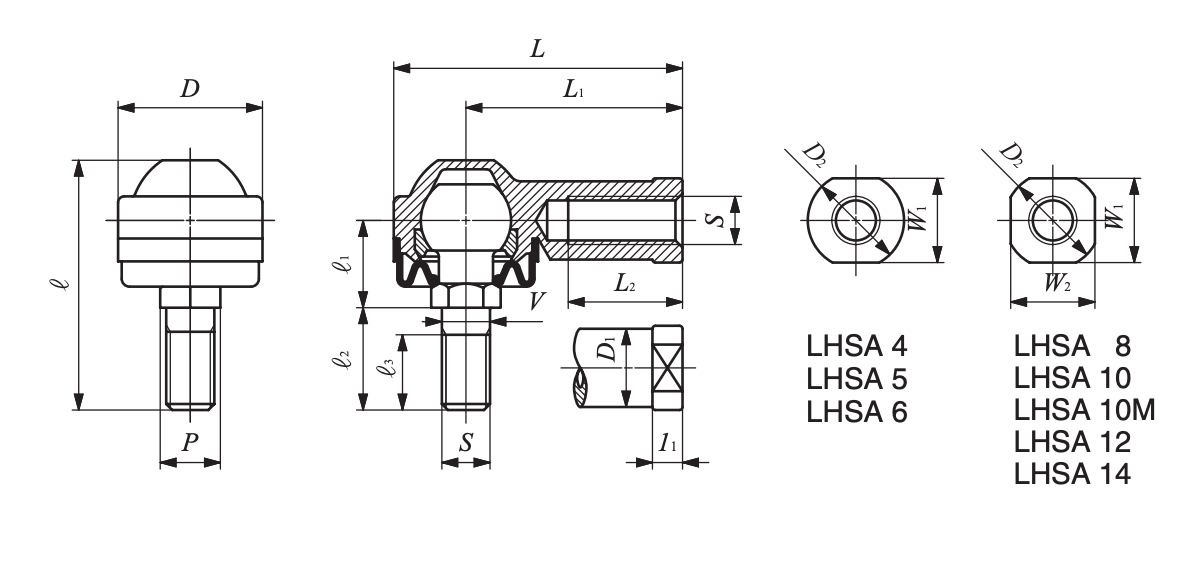
Description of the dimensions 14

Dimensions

Select Identification No. Mass (g) Thread S V D L L₁ L₂ l₁ W₁ W₂ D₁ D₂ P ℓ₁ ℓ₂ ℓ₃ Ball Dia. (mm) Static Load Cₛ (N)
LHSA 4 11 M4 × 0.7 *4 14 25 18 8 4 8 8 10 19.5 *5.5 7 7 5 8 880
LHSA 5 27 M5 × 0.8 5 17 38.5 30 16 5 10 10 12 32.5 8 12 13 10 11.112 (7/16) 1180
LHSA 6 27 M6 × 1 6 19 39.5 30 16 5 10 10 12 32.5 8 12 13 10 11.112 (7/16) 1670
LHSA 8 64 M8 × 1.25 8 24 48 36 19 5 14 14 13 16 41.5 10 14.5 17 12.5 15 4380
LHSA 10 106 M10 × 1.25 10 28 57 43 23 6.5 17 17 15 19 49 12 16 21 17 19.050 (3/4) 7400
LHSA 10M 106 M10 × 1.5 10 28 57 43 23 6.5 17 17 15 19 49 12 16 21 17 19.050 (3/4) 7400
LHSA 12 180 M12 × 1.75 12 34 67 50 27 6.5 19 19 17.5 22 64 14 20 30 20 22.225 (7/8) 9900
LHSA 14 260 M14 × 2 14 38 76 57 30 8 22 20 20 25 72 17 22.5 33.5 22 25.400 (1) 14600